Pianoforte elettronico

Il pianoforte elettronico descritto è costituito dal circuito integrato AY-1-1320 della “General Instrument”, che permette di simulare l'inviluppo dinamico del pianoforte a martelletti.

Affinché si possa stabilire che lo strumento elettronico descritto è un pianoforte, significa che è in grado di fornire “l’espressione”, tipica, dello strumento tradizionale; quando il tasto è premuto lentamente, il suono prodotto sarà appena udibile (piano), mentre quando il tasto è premuto velocemente, l’ampiezza del suono prodotto sarà forte.

Pertanto, l’ampiezza del segnale musicale è direttamente proporzionale alla velocità con la quale si preme il tasto.

Un'altra caratteristica fondamentale di questo pianoforte, è la timbrica, che si differenzia da quella degli organi commerciali, perché, la nota, non è prelevata direttamente dai divisori e inviata così com'è nei filtri, ma è arricchito con le armoniche pari simulando il suono prodotto da un pianoforte a due corde.

Per rendere più completo lo strumento è previsto il pedale di sostegno e di sordina.

schema costruttivo pianoforte

cablaggio pianoforte
  • 1= Circuito stampato dei divisori di frequenza
  • 2= scheda oscillatore e generatore di note
  • 3= schede dei divisori
  • 4= schede dei generatori di inviluppo
  • 5= scheda di alimentazione
  • 6= scheda dei filtri
  • 7= tastiera 5-7 ottave

schema a blocchi del pianoforte

schema a blocchi pianoforte

oscillatore base

L’oscillatore base che genera la frequenza di clock è costruito utilizzando 2 porte “nand” del CD 4011.

Il circuito è molto stabile in frequenza al variare della temperatura; per avvalorare questa tesi abbiamo provato questo circuito in camera termostatica variando la temperatura tra -5°C e + 50°C.

schema oscillatore 4011

l'oscillatore genera la frequenza di clock da immettere nel piedino 2 del A Y-1-0212

La frequenza dell'oscillatore dovrà essere fissata in modo da ottenere all'uscita del divisore le frequenze corrispondenti alle note che si vogliono ottenere; con questo controllo si fa l’accordatura dello strumento.

generatore di ottava superiore

Il generatore di ottava superiore è costituito esclusivamente dal circuito integrato AY-1-0212 che è un generatore digitale di tono che, partendo da una singola frequenza in ingresso, produce una intera ottava della scala cromatica composta da 12 note presentandole su altrettanti terminali d'uscita .

AY1212
interno ay 1212

L 'A Y-1-0212 può funzionare con frequenze di dock da 250 KHz a 1,5 MHZ.

divisori di frequenza

ay5050
interno 5050

circuiti sommatori

I circuiti sommatori sono costituiti da diodi.

Per ottenere un suono ricco di armoniche è necessario avere un duty-cycle di circa il 25%, che si ottiene sommando alla nota di una ottava, la stessa nota della ottava superiore.

scheda generatore di inviluppo

La scheda generatore di inviluppo pianoforte, è costituita dagli integrati AY-1-1320 e da alcuni componenti passivi,  per realizzare uno strumento a 7 ottave sono, ovviamente 7; una per ottava.

Queste schede sono collegate alla scheda base mediante connettori e alla tastiera mediante i contatti della stessa.

 circuito interno AY-1-1320

ay 1320

Il trimmer RV1 collegato tra il Bias (pin 19) ed il VGG (-27 V) permette di variare il tempo di decadimento in modo da compensare, ottava per ottava, la durata della nota, a seconda del gusto personale del costruttore;  serve soprattutto per compensare il rendimento acustico delle ottave alte.

funzionamento AY-1-1320

Nella posizione di tasto rilasciato, il condensatore C1 è caricato a -12 volts .

Quando il tasto è premuto, C1 è inizialmente scollegato ed inizia a scaricarsi attraverso la resistenza da 39K con una costante di tempo tipica di 18 mSec.

Quando il tasto termina la sua corsa, toccando la barra inferiore, la tensione presente su C1 è trasferita al Gate di T3 attraverso T2.

Questo fa si che C2 sia caricato a VC1 + 4 volts.

Tanto più veloce sarà la velocità con la quale si preme il tasto, tanto maggiore sarà il valore di VC1 che viene trasferito su C2.

Questo valore di tensione, proporzionale alla velocità con la quale si preme il tasto, differenzia l'ampiezza della nota generata precisamente: tanto maggiore sarà la velocità con la quale si preme il tasto, tanto più forte sarà l'intensità della nota e viceversa.

La tensione su C2 è trasferita attraverso R1 ai diodi provenienti dai circuiti divisori l'onda quadra risultante è condotta ai circuiti formatori del timbro, quindi al preamplificatore ed all'amplificatore.

C2 si scarica lentamente attraverso R1 in modo da ottenere il decadimento esponenziale tipico dell'ampiezza della nota richiesta.

Quando il tasto è rilasciato la resistenza da 50 kOhm è connessa attraverso C2 in modo da smorzare la nota con una costante di tempo tipica di 110 mSec.

damper
tabella decadimento

 tabella 1 -  decadimento in funzione di R1

Le schede del generatore di inviluppi sono quasi identiche, l'unica differenza consiste nel modificare il valore di R1 seguendo le indicazioni della tabella 1 dove è indicato il tempo di decadimento in funzione del valore di R1 riferito alla ottava di riferimento.

Scheda dell'alimentatore

schema elettrico alimentatore piano

La scheda alimentatrice fornisce le tensioni -27V, -14V e +14V ed è composta di tre regolatori di tensione che provvedono a fornire le tre tensioni necessarie per alimentare i circuiti integrati del pianoforte.

scheda dei filtri

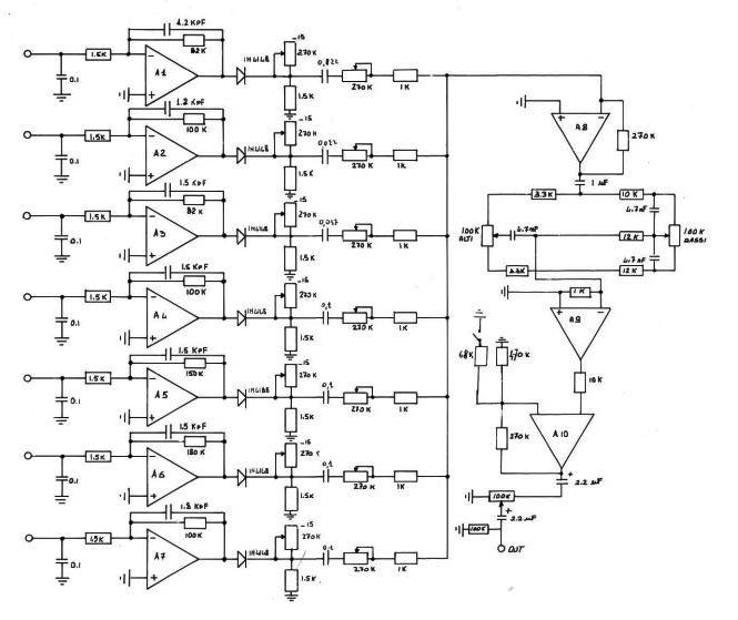
La scheda filtri è costituita da filtri passa banda costruiti attorno a degli operazionali del tipo LM 1458.

Le prime sezioni di tali operazionali sono stati utilizzate per costruire dei filtri passa banda, allo scopo di limitare il contenuto armonico di ogni ottava.

All'uscita di ogni filtro c’è un circuito silenziatore che consiste nel polarizzare opportunamente un diodo di commutazione in modo da fermare il rumore residuo generato dalla commutazione dei circuiti divisori.

schema elettrico filtri1

Le 7 resistenze da 1 K Ohm formano il  sommatore costruito attorno ad A8.

L'uscita del sommatore immette i segnali in un filtro correttore di tonalità di tipo Baxandall, che ha lo scopo di compensare ulteriormente l'equilibrio armonico su tutto l'arco della tastiera.

 infine il segnale è inviato nell'amplificatore  A10.

principio di funzionamento del silenziatore

silenziatore

Quando non esiste nessun segnale all'uscita del filtro, la tensione presente sull'anodo del diodo D1 dovrebbe essere di 0 Volt ed il catodo dovrebbe essere polarizzato a 0,16 Volt; ciò significa che il segnale in uscita dall'operazionale dovrà essere di almeno 0,4 V affinché il diodo possa condurre. Pertanto se il livello di rumore è inferiore a 0,4 V è bloccato, perché è insufficiente per far condurre il diodo.

nel circuito si è utilizzato il trimmer RV1  per polarizzare correttamente il diodo in modo che sia possibile modificare acusticamente la timbrica del pianoforte.

Il trimmer RV2 serve per compensare l'intensità sonora di ogni ottava ricordando che l'orecchio umano è più sensibile alle note acute che a quelle gravi.

sommatori

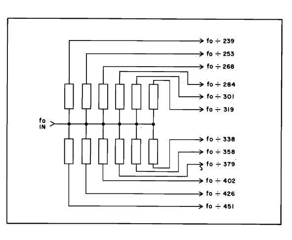
Il compito dei circuiti divisori è di dividere per 2 le frequenze in uscita dal generatore di ottava superiore, in modo da ottenere le note della ottava inferiore.

Le schede divisori, sono dodici e utilizzano l'integrato AY-1-5050 e una serie di diodi per ottenere l'arricchimento armonico necessario per simulare il suono del pianoforte

I circuiti integrati AY-1-5050  contengono 7 divisori per 2 in ciascun chip.

rick 3Riccardo Monti